
Примеры выполненных работ
Реализованные проекты по строительству и производству металлоконструкций
Посмотрите на наше производство











Преимущества работы с нами
Мы построили сервис на профессионализме и качестве
Работаем по ГОСТу
Работаем в соответствии с ГОСТ и мировыми стандартами качества
Опыт с 1992 года
Более 30 лет опыта в производстве и строительстве металлоконструкций
Собственное производство
Полный цикл производства от проектирования до монтажа
Доставка по всей России
Организуем доставку металлоконструкций в любой регион страны
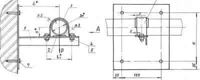
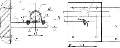
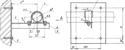
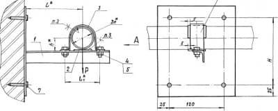
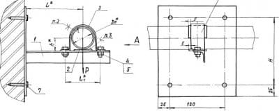
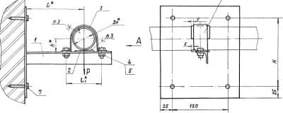
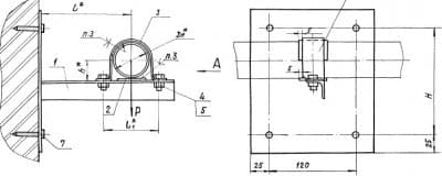
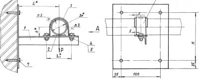
Компания УралМеталл предлагает опоры трубопроводов модели А14Б 290.000, которые идеально подходят для различных промышленных и строительных проектов в Санкт-Петербурге. Эти опоры обеспечивают надежную поддержку трубопроводов, гарантируя их устойчивость и долговечность.
Изготавливаемые из высококачественных материалов, опоры А14Б 290.000 обладают отличными эксплуатационными характеристиками. Они устойчивы к коррозии и механическим повреждениям, что делает их идеальным выбором для использования в сложных условиях. Мы предлагаем конкурентоспособные цены и гибкие условия доставки по всей России.
Заказывая опоры в УралМеталл, вы получаете не только качественную продукцию, но и профессиональную консультацию по выбору необходимых изделий. Мы готовы предложить индивидуальные решения для вашего бизнеса.

















