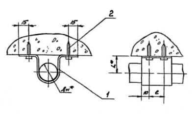
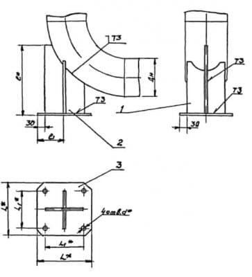
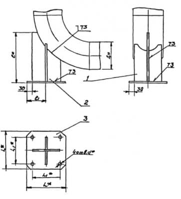
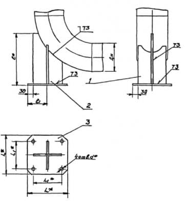
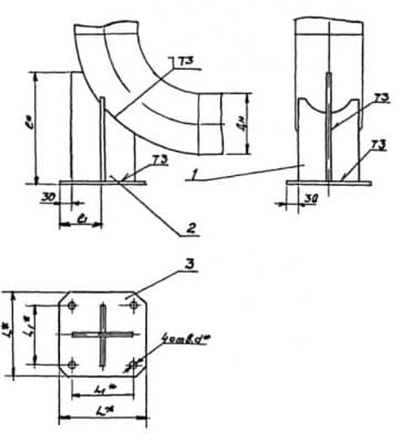
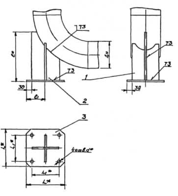
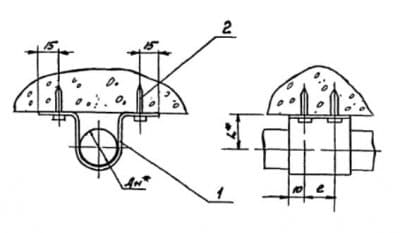
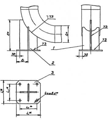
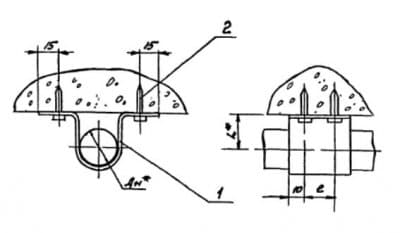
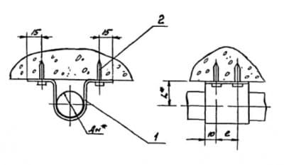
Типовые узлы крепления трубопроводов серия 5.908-1

Преимущества работы с нами

Мы построили сервис на профессионализме и качестве

Работаем по ГОСТу

Работаем в соответствии с ГОСТ и мировыми стандартами качества

Опыт с 1992 года

Более 30 лет опыта в производстве и строительстве металлоконструкций

Собственное производство

Полный цикл производства от проектирования до монтажа

Доставка по всей России

Организуем доставку металлоконструкций в любой регион страны