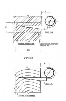
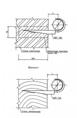
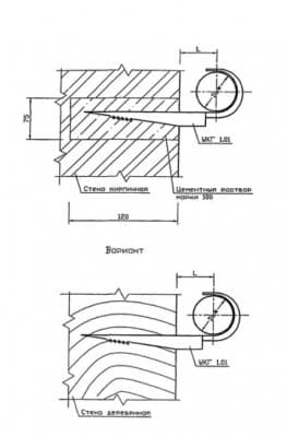
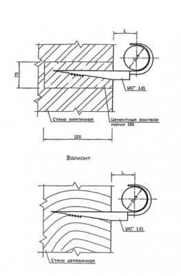
Опоры УКГ 1.00

Посмотрите на наше производство

3
4
Цех производства металлоконструкций УРАЛМЕТАЛЛ
производство УралМеталл
производство УралМеталл
производство металлоконструкций УралМеталл
производство металлоконструкций УралМеталл
производство металлоконструкций УралМеталл
производство металлоконструкций УралМеталл
производство металлоконструкций УралМеталл
производство металлоконструкций УралМеталл
Производство

Преимущества работы с нами

Мы построили сервис на профессионализме и качестве

Работаем по ГОСТу

Работаем в соответствии с ГОСТ и мировыми стандартами качества

Опыт с 1992 года

Более 30 лет опыта в производстве и строительстве металлоконструкций

Собственное производство

Полный цикл производства от проектирования до монтажа

Доставка по всей России

Организуем доставку металлоконструкций в любой регион страны